English
首頁
聯絡我們
最新消息
產品介紹
撐桿掀桿
撐桿相關資訊
傢俱/櫥櫃專區
標準型氣壓棒
安全管氣壓棒
動態阻尼氣壓棒
壓縮鎖定型PTL
開關定位型BOL
油壓阻尼棒
專屬配件
產品應用
鉸鍊系列
一般鉸鍊
一般
厚門
玻璃鉸鍊
特殊鉸鍊
油壓緩衝鉸鍊
一般
厚門
滑軌系列
緩衝滑軌
隱藏式木抽滑軌
吊輪
門檔
把手
門鎖
其他五金
新品上市
影片專區
公司簡介
產品介紹
首 頁
產品介紹
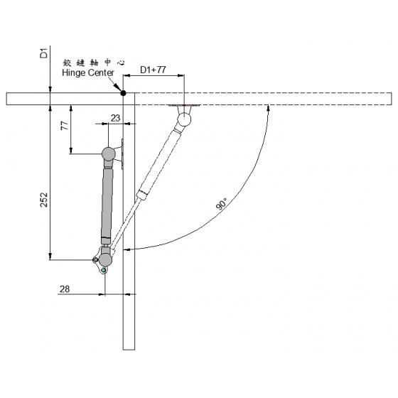
TF03 全行程等速上掀門氣壓棒
TF03 全行程等速上掀門氣壓棒
台灣製造,品質保證
TF03 全行程等速上掀門氣壓棒
特性:
1. 安裝簡易且氣壓棒安裝無方向性,任何方向安裝均具有等速展開門片之功
能。
2. 全行等速氣壓棒展開門片時具有速度一致,作動平滑且慢。
3. 增加客戶門片展開時動作穩定以提升產品價值。
※共有60N,100N,150N三種壓力規格供選購。